
29324 E esferik roulo vyolans
Li gen Rating ki pi wo chaj nan tout BEARINGS vyolans, pèmèt kontra enfòmèl ant, segondè pouvwa dansite aranjman pote.
Voye rechèch
Product Details of29324 E esferik roulo vyolans
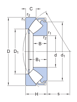
Desen ekspozisyon ak gwosè pote
|
|
Non pote | 29324 E |
| Klasifikasyon pwodwi | Esferik roulo vyolans | |
| Dyamèt te fè | 120 mm | |
| Dyamèt deyò | 210 mm | |
| Wotè | 54 mm | |
| Kalite kaj | Fèy metal | |
| Rating debaz chaj dinamik | 765 kN | |
| Rating chaj debaz estatik | 2120 kN | |
| Limit chaj fatig | 245 kN | |
| Vitès referans | 1700 r/min | |
| Limite vitès | 2800 r/min | |
| Mas portant | 7.26 kg |
Karakteristik ak aplikasyon pou pote
29324 E BEARINGS yo kapab reziste chay aksyal trè wo ak charj radial konsiderab. Pa konbine de oswa plis esferik roulo BEARINGS vyolans, BEARINGS yo ka gen yon fonksyon pwòp tèt ou-aliyen (ki pèmèt aliyman arbr) oswa yon konfigirasyon trè rijid pote.
29324 E se apwopriye pou ekipman ki bezwen kenbe tèt ak segondè aksyal ak radyal konbine charj, tankou machin tren, konpresè lè, motè otomobil, gwo machin agrikòl, ekran vibre, collers, fondri, machin fib chimik, machin tretman fondasyon, elatriye.
Sou chajman





Baj popilè: 29324 E esferik roulo vyolans, Lachin 29324 E esferik roulo vyolans pote, founisè
Voye rechèch
